
6.5 Putting it all together
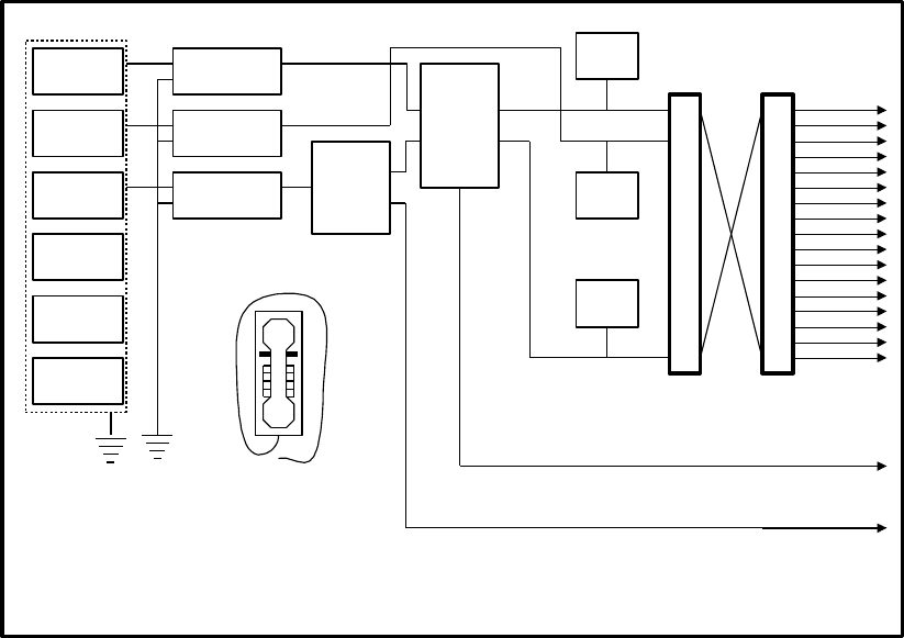
The drawing below shows the overall connection of phone and DSL wiring. Two phone lines are used for
personal use and one for business. The NID, secondary lightning protection, POTS/DSL splitter, Modem
Access Adapter, and Type 66 punch down blocks are all located in the wiring closet.
From the NID each line goes to a secondary lightning protector. The POTS/DSL splitter is connected to the
business line. The DSL output is run directly to the DSL modem. The voice output of the splitter and line 1
feed the Modem Access Adapter. Another dedicated line connects the analog POTS modem to the MAA.
To make changes easier all building wiring is terminated to punch down blocks. A short wire, called cross-
connect wire, is used to interconnect the various phones. This makes it easy to rearrange wiring by adding
and removing cross-connects without affecting building wiring. Test jacks for each line allow a test phone
to be conveniently plugged in during troubleshooting.
An old wall phone is mounted in the wiring closet, with a RJ11 cord. This allows the test phone to be
plugged into the test jacks on the CPE wiring side or directly into the NID. Having the phone permanently
mounted in the wiring closet insures it is available when needed.
Telco
NID
Secondary
Protection
Secondary
Protection
Secondary
Protection
Telephone Wiring Closet
Line 1
Home 1
Line 2
Home 2
Line 3
Business
Line 4
Spare
Line 5
Spare
Line 6
Spare
Modem
Access
Adapter
DSL
Splitter
Test
Jack
Test
Jack
Test
Jack
Test Phone
Type 66
Crossconnect
Building
Wiring
POTS Modem
DSL Modem
Line 1
Line 2
Biz
Figure 22 Telephone wiring
Comments to this Manuals